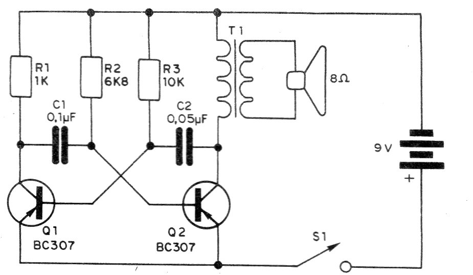
We have a simple and useful circuit found in a 1982 documentation which generates a signal in the audible range. It is an astable multivibrator whose frequency is basically determined by capacitors C1 and C2 and which can be used in alarms, call systems, toys, etc. The resistor R3 can be connected in series with a 47k potentiometer, in which case we will have added one to the circuit. tone, or frequency control. By changing the capacitors to values above 1 uF, the circuit will produce very low frequency signals, becoming a metronome. The output transformer is the type found on transistor radios, with primary impedance between 500 ohms and 2,000 ohms




