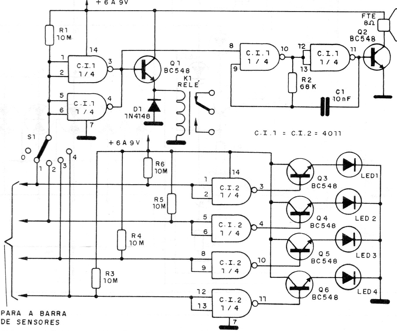
This circuit has a programmable alarm that can be triggered with different water levels. The circuit has 4 warning positions, triggering LEDs. The circuit must not be powered by a source without a transformer and the sensors consist of bars with bare ends to contact water. Never use a source without a transformer to power this circuit.




