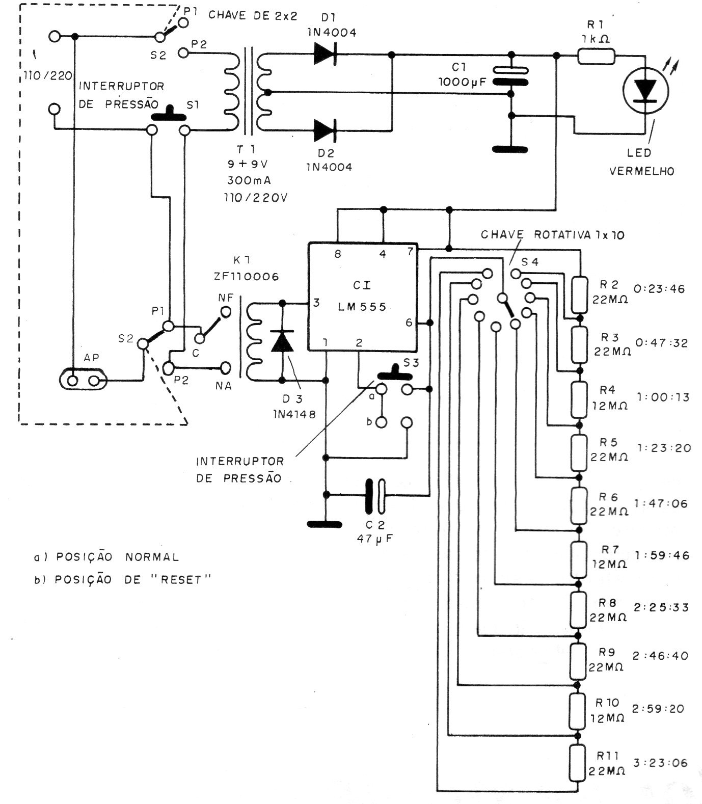
This conventional team from a 1992 publication has 10 fixed times selected by a key. The times are given by the resistors and at the end of the time the circuit turns off. The relay admits 5 V equivalent and the transformer has a 9 + 9 V secondary.
This conventional team from a 1992 publication has 10 fixed times selected by a key. The times are given by the resistors and at the end of the time the circuit turns off. The relay admits 5 V equivalent and the transformer has a 9 + 9 V secondary.