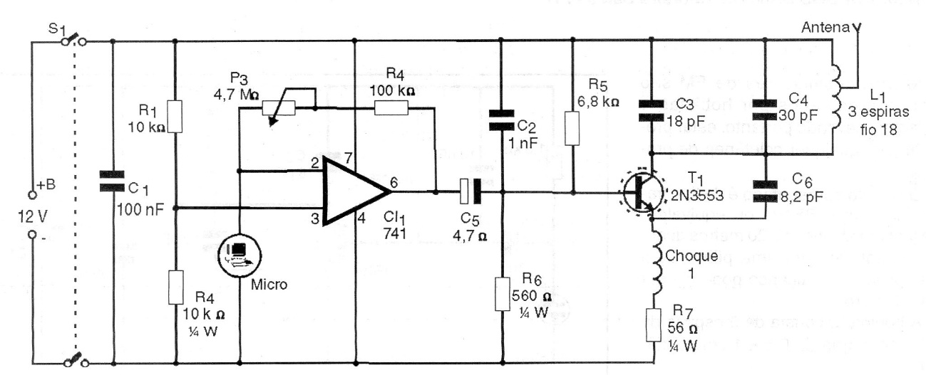
This FM transmitter was found in a 1997 magazine but can still be easily assembled. 18-wire in the form of 1 cm without core and the antenna is connected to the central socket. The circuit must be powered by battery or good source with at least 2 A and the transistor must be equipped with a heat sink. The XRF shock is formed by 200 turns of wire 32 in a 100k x ½ W resistor.




