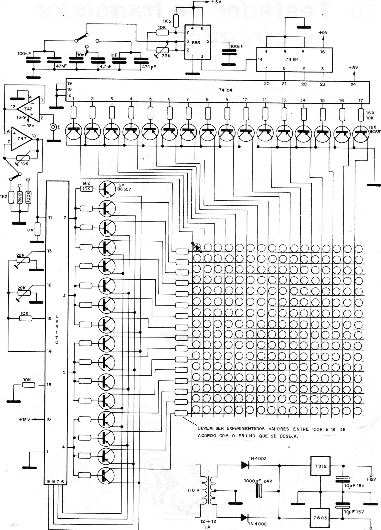
This circuit for audio and low frequency signals was found in a 1987 documentation. The assembly is quite complex, and the time base is selected by the capacitor bank. The definition of the image is small, but it serves as a demonstration of a didactic application for the circuit. The power is supplied by the symmetrical source given together with the diagram.




