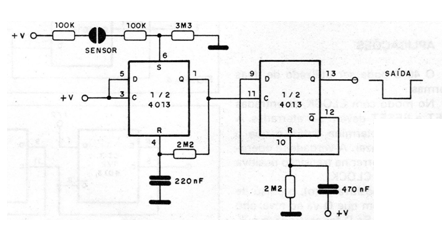
One of the application circuits that we gave at the beginning of this sequence was a bistable switch in which a 555 was used as monostable when driving a 4013. Well, if we are only going to use a flip-flop to drive a relay, the other can be perfectly used as monostable in the configuration of the figure that leads us to an efficient touch switch. In this switch, each time the relay changes state, thus switching an external load.




