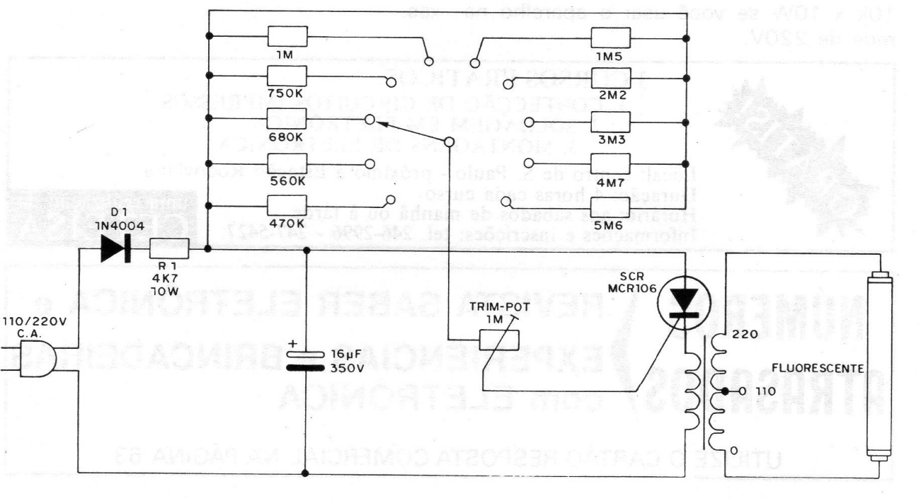
This circuit allows a step-by-step control of the pulsations of a fluorescent lamp connected to its output. The circuit power is not high, being determined by the charge of capacitor C1, which means that the recommended fluorescent lamp is a maximum of 15 W. You can use this circuit in decoration, signage or to give a special touch to your balls and family reunions. The assembly of this system is simple because there is no component that requires special care. A common terminal bridge fixed to a wooden base or box can be used as a chassis. The gear selector switch must be attached to the panel. When assembling, the polarity of the SCR, which is of the MCR106 or IR106 type, and the polarity of the electrolytic capacitor, which must have a working voltage of at least 250 V if your network is 110 V and 350 V if your network is 220 V. The position of the diode is also important in this case.




