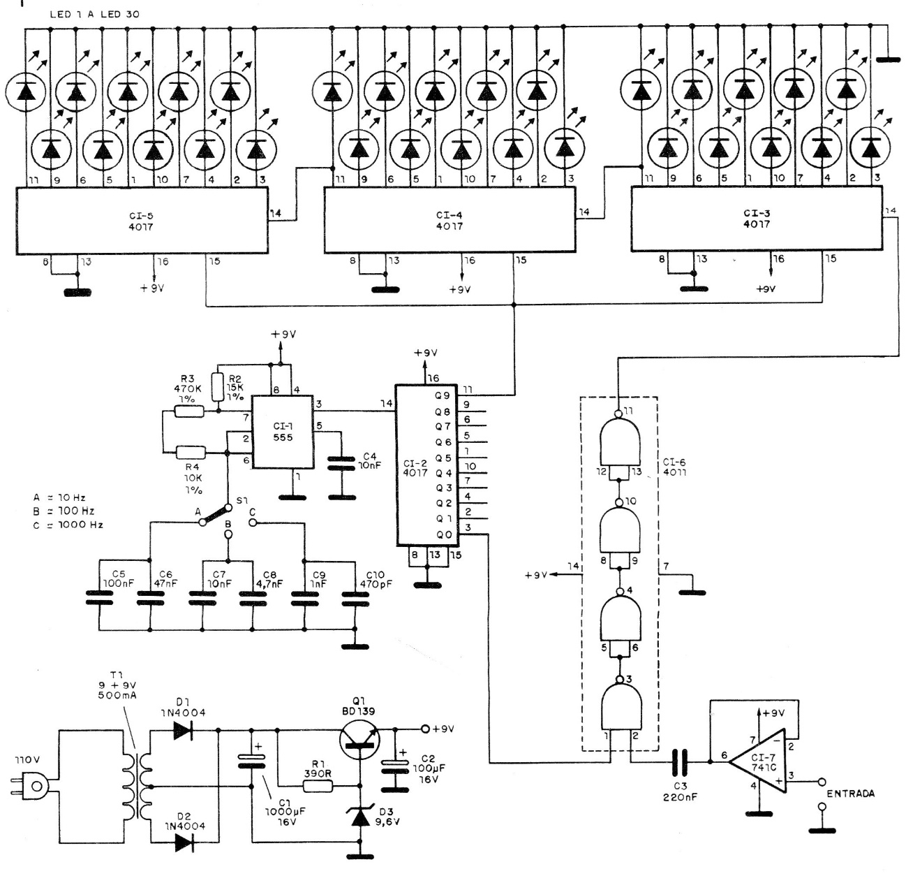
This circuit is from 1988 documentation. It uses a range of 30 LEDs driven by 4017 integrated circuits. The circuit is for audio frequencies from 10 Hz to 1 kHz selected by the switches next to a capacitor bank. The accuracy of the circuit depends on the components of this sector, including the time resistors next to the 555. The circuit is powered by a simple 9 V source.




