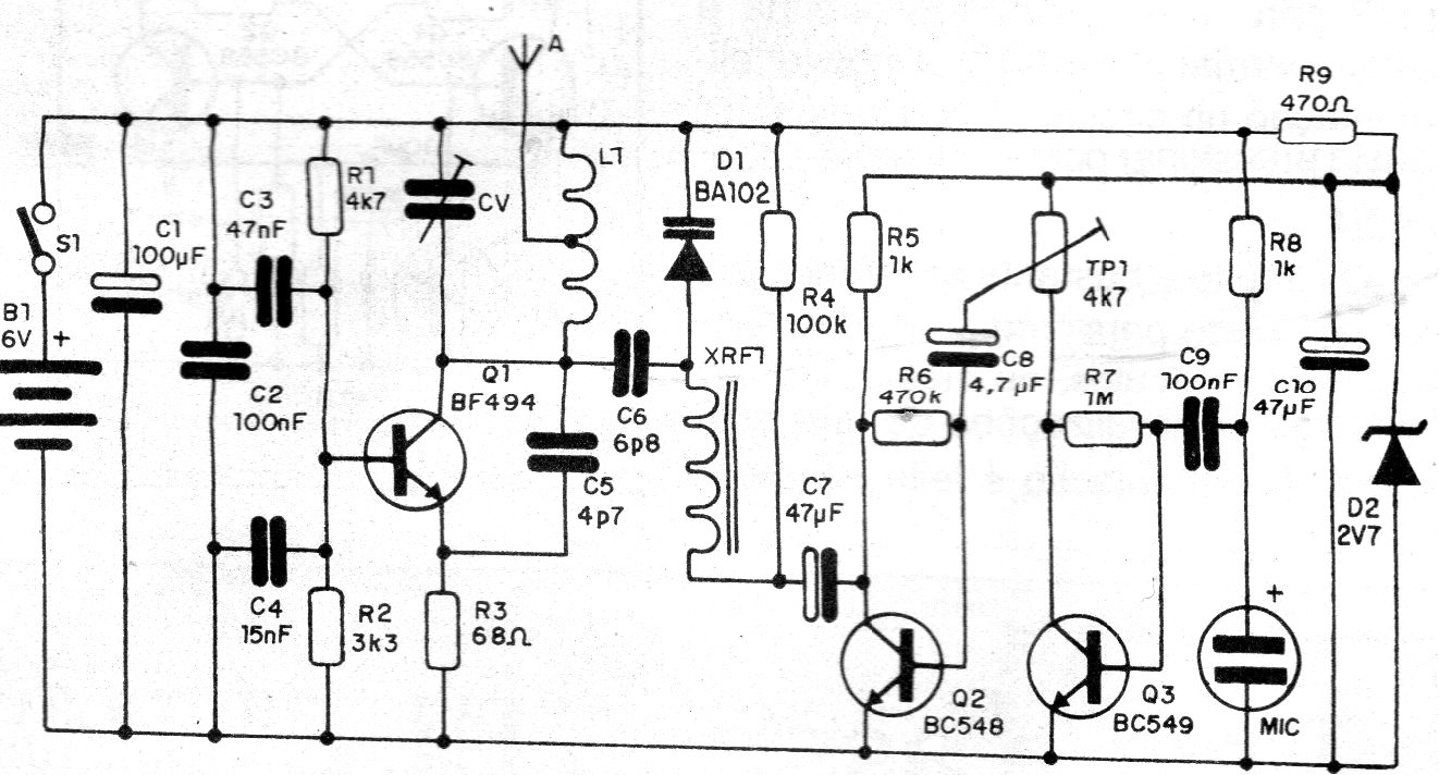
We found this transmitter circuit that has a very high gain stage for an electret microphone functioning as super-heard in a 1992 publication. The circuit has a range of the order of 100 meters and is powered by 4 common batteries. The coil consists of 2 + 2 turns of 24 or 26 wire in the form of 1 cm without core. The antenna is 15 to 40 cm long.




