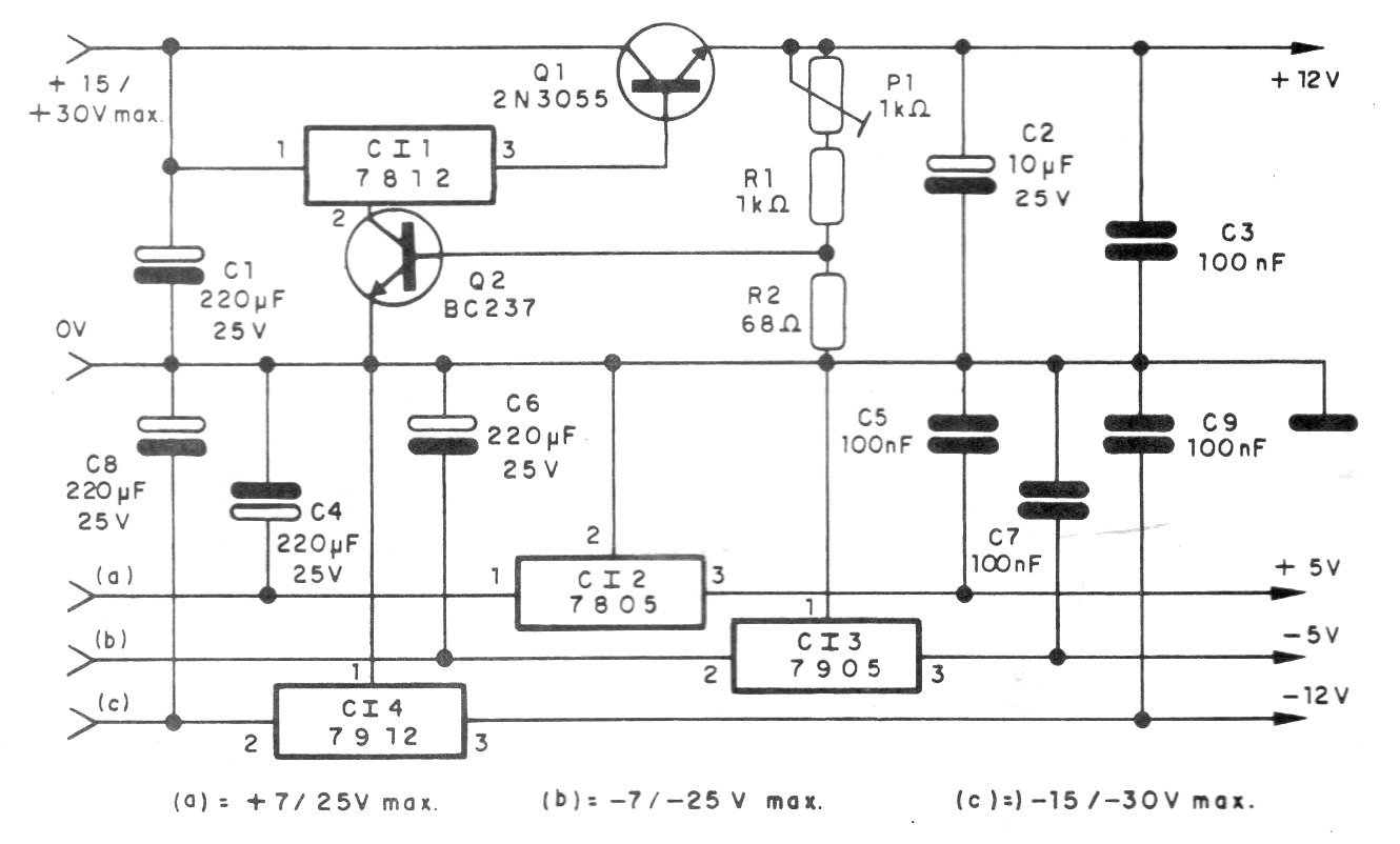
From different input voltages V, it is possible to reduce the voltage to several fixed values using this circuit. The maximum current is 1 A and both the integrated circuits, and the power transistor must be mounted on heat sinks.
From different input voltages V, it is possible to reduce the voltage to several fixed values using this circuit. The maximum current is 1 A and both the integrated circuits, and the power transistor must be mounted on heat sinks.