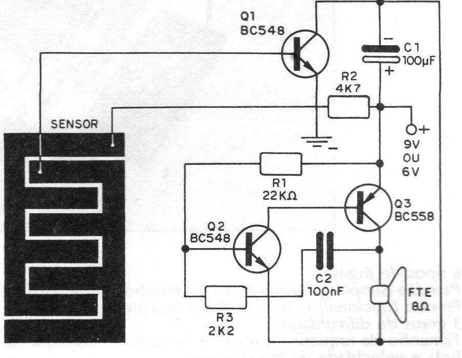
The circuit in the figure shows that it is an oscillator driven directly by the conduction of Q1 which depends on the humidity in the sensor. The reader suggests that this circuit be used as a rain or leak detector, having based its elaboration on the windshield wiper published on the website. The sensor can be made with a common printed circuit board (with the format shown in the figure that gives the diagram) or with two wire screens separated by a piece of porous paper. The frequency of the oscillator can be modified by changing the value of C1. For a higher pitched sound, this capacitor must be reduced in value and for a lower pitched sound, its value must be increased.




