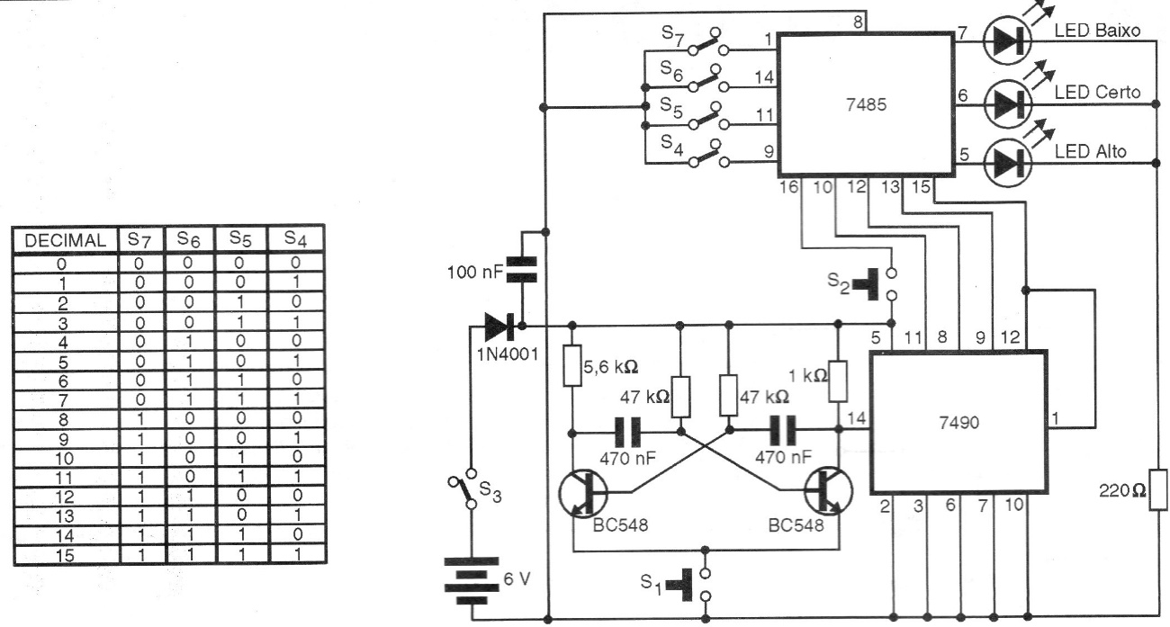
The purpose of this game obtained in a 1998 documentation is to guess the number that the circuit stores when pressing S1. This number is stored in the 7490 and decoded by the 7485. By pressing the 7485 switches, the number stored according to the key must be found. The circuit is powered by batteries.




