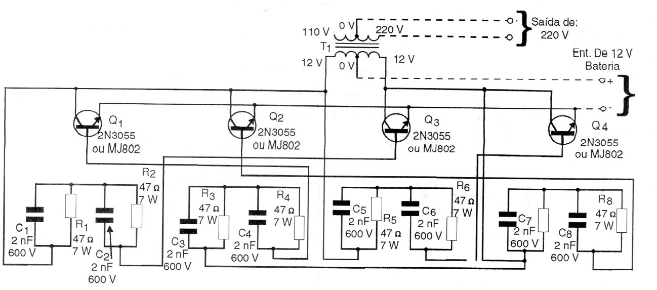
This inverter can reach a power of 300 W depending on the transformer used. In this case, a transformer with 12 V secondary with 10 A. was used. The transistors must be equipped with excellent heat sinks. The circuit is from 1997 documentation.
This inverter can reach a power of 300 W depending on the transformer used. In this case, a transformer with 12 V secondary with 10 A. was used. The transistors must be equipped with excellent heat sinks. The circuit is from 1997 documentation.