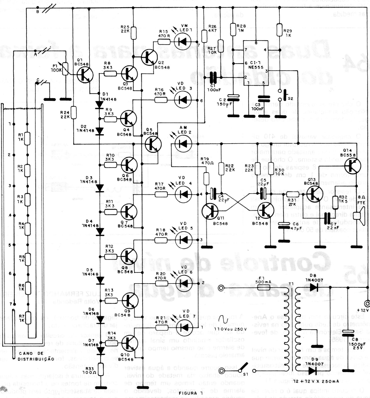
This circuit was found in a 1987 documentation but can be easily assembled today by the components it uses. The circuit has a resistive sensor that is in contact with water at different levels, thus causing the generation of stepped voltages, which are indicated by an LED bar. The circuit must be powered by a source with a transformer for safety reasons. The scale adjustment is done in P1.




