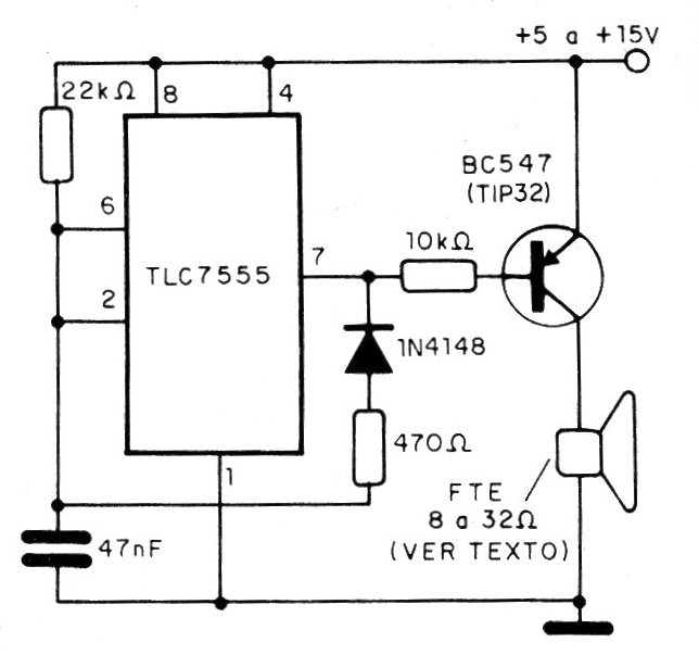
The excitation of a loudspeaker with a tone of approximately 1 kHz, in an audible warning system, can be done as shown in the figure. For supply voltages between 5 and 9 V the BC558 can be used, but for higher voltages, between 12 and 15 V a higher power transistor such as the TIP32 or BD136 must be used, equipped with a heat radiator. The consumption of this circuit is not high, since the brand / space ratio is such that the transistor only conducts approximately 1/10 of the time of each cycle.




