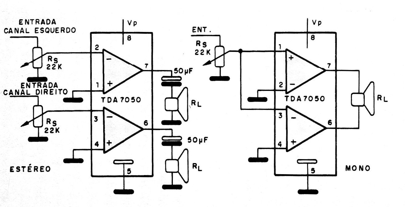
This integrated circuit is suitable for applications with low supply voltage, such as small high-fidelity devices that use headphones only. It is presented in an 8-pin DIL housing. We can highlight the following advantages in this integrated
- No external components required
- Can operate on battery power in the range of 1.6 to 6.0 V
- Quiescent current very low (typically 3.2 mA with 3 V supply)
- Gain with feedback set at 26 dB in stereo configuration or 32 dB in mono bridged (BTL) configuration.
For a total distortion of 10 ° / o we have the following power table:





