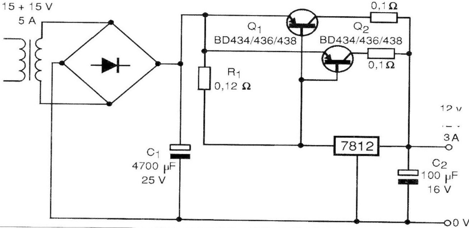
The circuit illustrated in the figure can supply currents of up to 3 A under 12 V voltages with excellent regulation given by the integrated circuit 7812. Both the integrated circuit and the transistor must be mounted on heat radiators. The diodes must be for 50 V x 3 A or more, and resistor R1 is wire. Equivalents transistors can be used.
.




