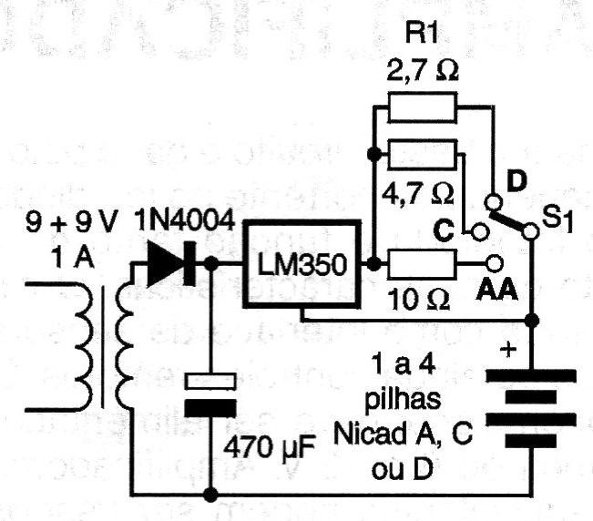
Rechargeable Nicad batteries type AA, C or D can be recharged with this circuit, which is nothing more than a constant current source. The resistors determine the charging current for the batteries, which can be charged simultaneously in quantities ranging from 1 to 4. The integrated voltage regulator must be equipped with a heat radiator. The 470 uF capacitor must have a minimum working voltage of 50 V and the transformer has a primary winding according to the local power grid. 7.5 V transformers can also be used without problems in this circuit.




