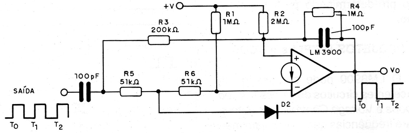
A configuration that can be used to do frequency division, and that uses only a current amplifier, is shown in the figure. The frequency division is obtained because the flip-flop only switches on the rising pulse of the input, remaining in the same state on the descents.




