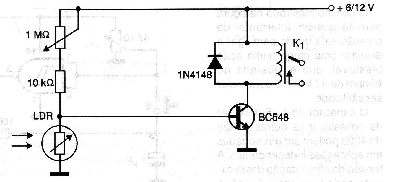
In the circuit shown in the figure to the side, the relay is activated when the light stops hitting the sensor, which is a common LDR. The 1 M trimpot makes the sensitivity adjustment. 50 to 100 mA relays for 6 or 12 V can be used in this case. Greater sensitivity and directness to the LDR can be obtained by mounting it on a tube with a lens.




