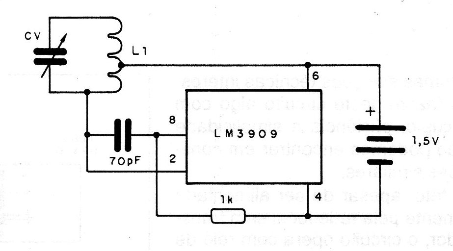
The main feature of this RF oscillator that operates in the range of 100 to 800 kHz is its low supply voltage, only 1.5V. This circuit shown in the figure is suggested by National Semiconductor and makes use of the integrated LM3909, a fIasher / oscillator of many uses. The coil consists of 120 turns of wire 28 in a 10 cm long ferrite rod with 1 cm in diameter and the variable is for the AM range with maximum capacitance around 300 pF. The 70pF capacitor is not critical and the nearest commercial ceramic value can be used.




