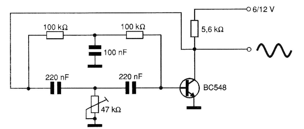
The twin-T oscillator shown in the figure generates sinusoidal signals in the audio track, which depend on the double T values, which must maintain the indicated value relationships. The trimpot adjusts the oscillation point. For the indicated values, the generated signal will be around 1 kHz.




