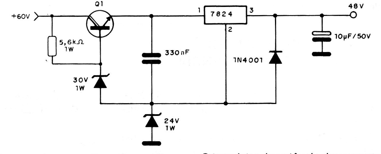
This regulator provides a regulated output voltage of 48 V under a current of up to 1 A from a 60 V source. The base is the 7824 integrated circuit, and the transistor is a NPN power Darlington with maximum collector-emitter voltage of at least minus 60 V. The zener diodes are 1 W and their values can be changed depending on the desired voltage. The power transistor must be mounted on a good heat radiator.




