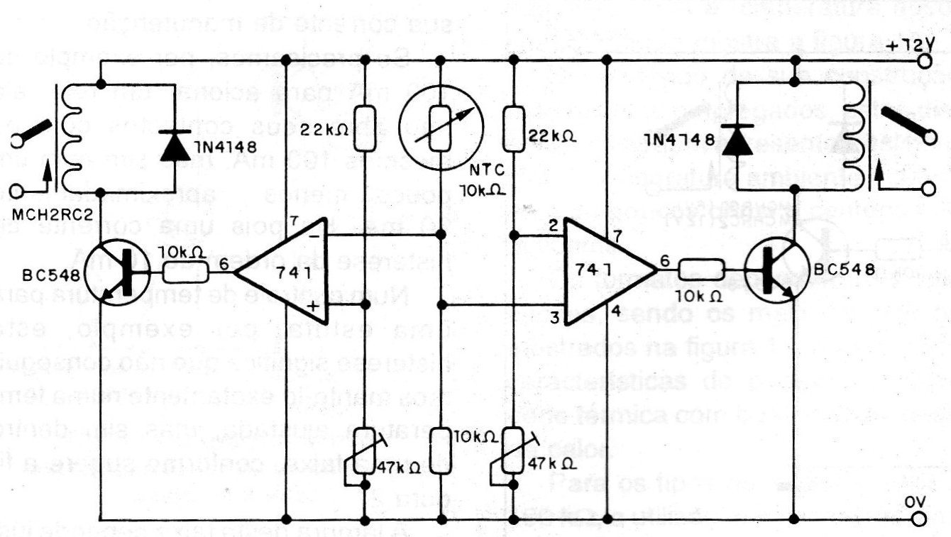
This circuit controls two relays from a single temperature sensor. The first fires when the temperature exceeds a certain value and the second when it falls below a certain value. The relay has 50 mA of trigger current and the trigger point adjustments are made in the trimpots.




