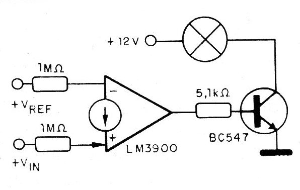
To excite a higher power load, such as a 40mA lamp, we have the circuit in the figure. For this purpose, we use an exciter transistor, type NPN. The supply voltage for the power stage is 12 V.

To excite a higher power load, such as a 40mA lamp, we have the circuit in the figure. For this purpose, we use an exciter transistor, type NPN. The supply voltage for the power stage is 12 V.
