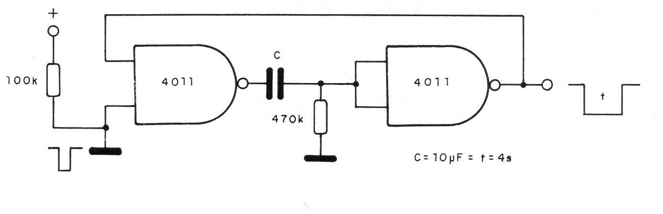
The circuit in the figure trips with a negative transition of the input signal, its output remaining at the low level for a period that depends on capacitor C and the 470k resistor. With C = 10 uF we obtain an output pulse of approximately 4 seconds. The values of C and R can be changed over a wide range of values. We can use both an integrated 4001 and 4011 in this circuit since the gates are used as simple inverters.




