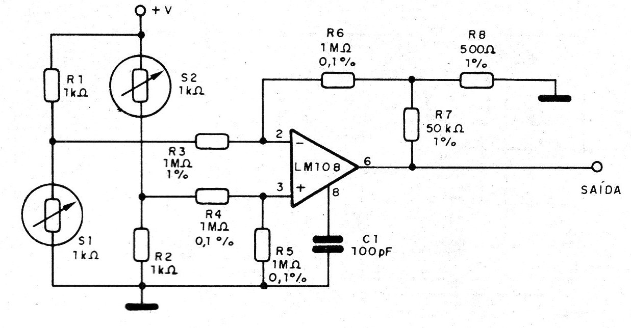
The amplifier in the figure is based on a single LM108 and has low noise compensation. In this case, this amplifier is being shown with two resistive temperature sensors of 1k ohms, but other sensors can be used, even with other average resistance values, changing the other elements of the bridge in the same proportion. Resistor R3 determines the gain of the circuit. The capacitor reduces noise from the power supply by 20 dB and eliminates the need for by-pass capacitors.




