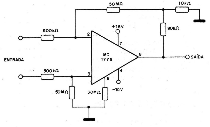
The circuit shown is suggested by Motorola and consists of an amplifier with very high input impedance. The voltage gain is 100 times and is given by the ratio of values between the input resistor and the feedback resistor. The input resistor also determines the input impedance. The power supply must be symmetrical with the indicated voltage. The same configuration can be adapted for use in other common operational amplifiers.




