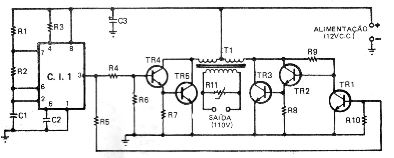
This circuit allows the supply of frequency sensitive loads, although the waveform is not sinusoidal. The circuit has a power according to the transformer, providing a power of a few tens of watts. The circuit is from a 70s documentation.
This circuit allows the supply of frequency sensitive loads, although the waveform is not sinusoidal. The circuit has a power according to the transformer, providing a power of a few tens of watts. The circuit is from a 70s documentation.