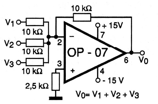
The output voltage of this circuit is equal to the sum of the input voltages, if the result is within the range of supply voltages (the circuit cannot operate saturated). The operational amplifier admits equivalent and must be powered by a symmetrical source. More inputs can be added.




