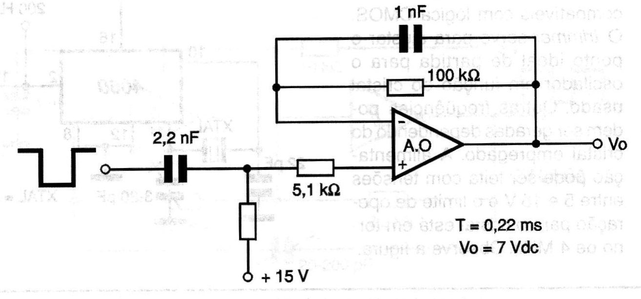
The circuit suggested in the figure differentiates the signal from the negative front of a rectangular signal. For the indicated circuit the time constant is 0.22 ms depending on the values of the components used, and the output voltage is 7 Vdc. The circuit employs any general-purpose operational amplifier and must be powered by a symmetrical 15 V + 15 V source.




