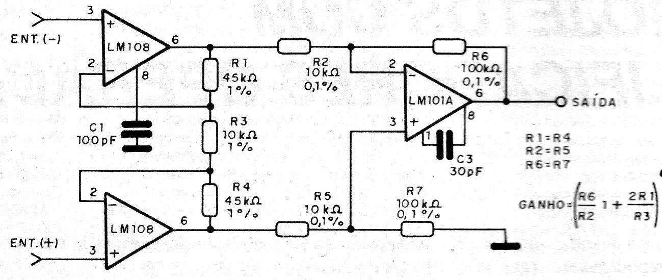
This second amplifier is based on the integrated LM108 and has a differential input. The resistor values and the formula that determines the gain are given in the diagram. Observe the need for narrow tolerance resistors, to guarantee the minimum of offset and consequently the rejection and in common mode (CMRR). The output stage based on an LM101A guarantees low impedance, for excitation of conventional steps or instruments.




