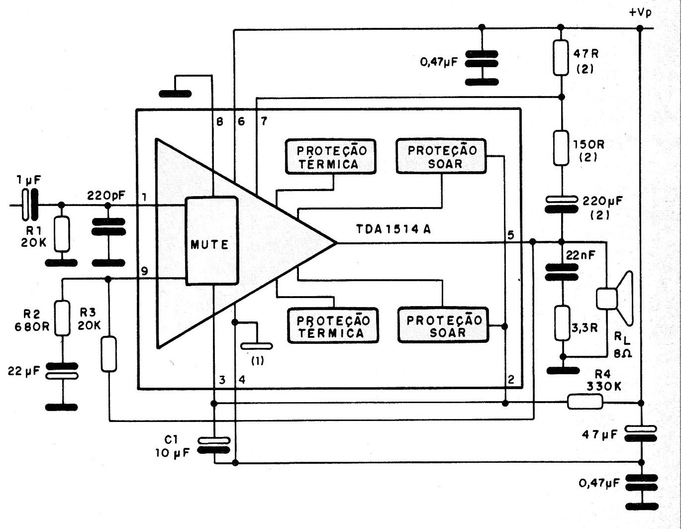
With its high power and high performance, this power amplifier is ideal for high quality sound equipment, radios, televisions, and digital audio systems (compact disc for example). The output transistors have thermal protection and full SOAR, and the circuit includes a mute system that operates for a certain time after the power is established. This period is pre-adjusted by external components. The integrated can operate with both symmetrical and asymmetric power supplies (+/- 7.5 V to +/- 30 V). It is offered in a 9-pin SIL enclosure.




