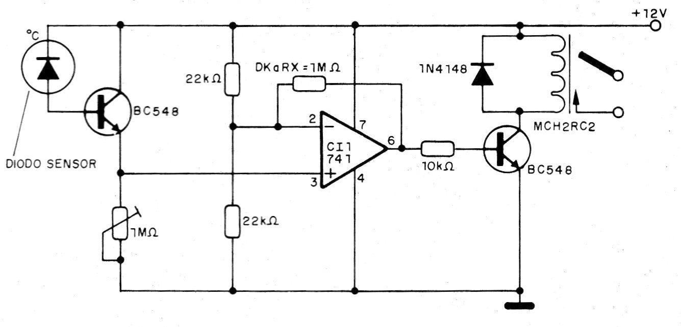
This circuit uses a common general-purpose diode as a sensor. Adjustment of the trigger point is made in the trimpot. The relay is 12 V with an operating current of 50 mA. Other operational amplifiers can be used, including the LM139 series comparators.




