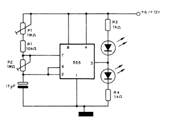
This circuit causes two common or bicolor LEDs to alternately flash. The frequency is adjusted in the trimpot. Note that one of the trimpots adjusts the capacitor load and the other the active cycle, so that the joint adjustment influences the active cycle. The supply can be done with voltages in the range of 6 to 12 V. The resistors R3 and R4 can be modified according to the supply voltage, establishing the brightness of the LEDs.




