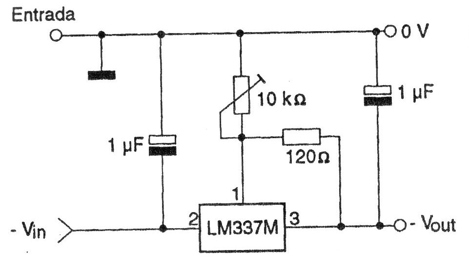
The basis of this circuit is the integrated regulator LM337M for currents up to 500 mA. The voltage output can be adjusted to provide values between -2 and -37 V. The circuit has internal protection against short-circuit and must be mounted on a heat radiator. The integrated circuit LM337 with suffix M found in plastic housing TO-22O or similar, according to the manufacturer (National, Motorola, etc.). Decoupling capacitors must be installed as close as possible to the input and output terminals of the integrated circuit. Ripple rejection is 60 dB.




