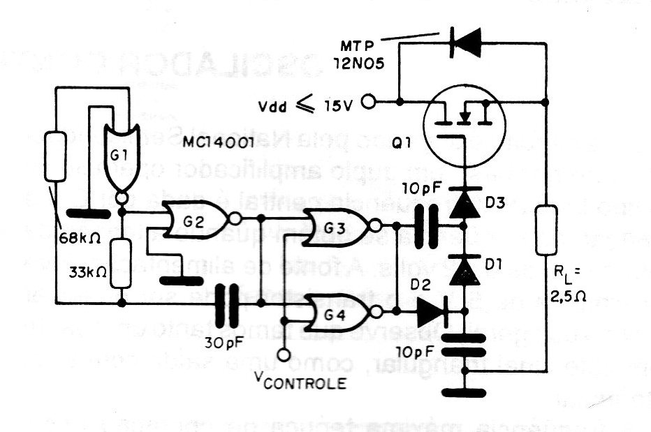
This circuit is suggested by Motorola and allows to obtain a much higher voltage for switching a power MOS transistor than the source with the help of a folder. As a result, a load of just 2.5 ohms of resistance can be switched at a frequency of 350 Hz and with high efficiency. The circuit is based on a stable made around 4 CMOS NOR ports (MC1401 or 4001), where the frequency is given by the 30pF capacitor. In this circuit, the supply voltage must not exceed the limits supported by the CMOS, which is 18 V. The diodes can be 1N914 or equivalent.




