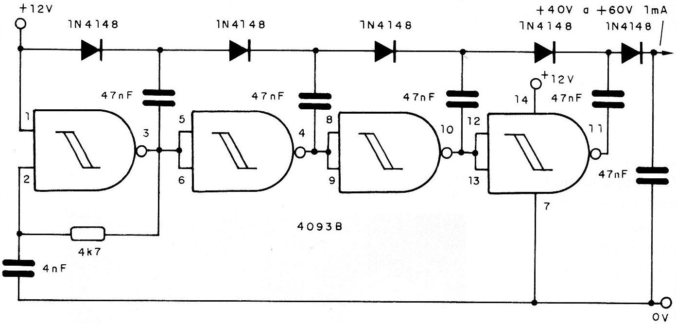
The circuit in the figure generates a high continuous voltage, on the order of 40 to 6oV under a current of 1 mA from 12V supply. The first CMOS inverter port functions as an oscillator whose frequency can be changed in order to obtain the maximum performance. The following ports act as cascade-associated voltage doubler switching elements. The values of the capacitors used determine the current capacity of the circuit, but there are limits to their value, given precisely by the maximum current that we can obtain from the output of each port used. The circuit also operates with other voltages and the elevation at the output is proportional.




