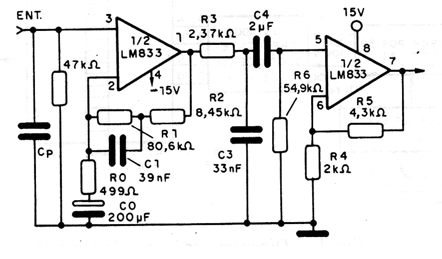
This circuit is suggested by National Semiconductor and with two operational amplifiers an LM833 provides a precision response in an RIAA amplifier. The gain is between 20 and 30 dB and the power must be supplied with a symmetrical source. The response curve is better than 0.1 dB at 20 to 20 kHz and the harmonic distortion is less than 0.01%. The output voltage will be between 300 mV rms and 1 V rms.




