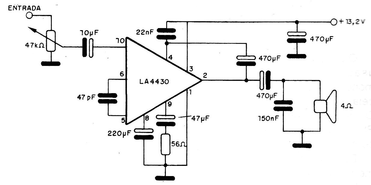
This amplifier is suggested by Sanyo and can excite loads of 4 ohms with a power of 4.5 Wrms. The peak current is 2.25 A and the input resistance is 20 k ohms. The voltage gain is 50 dB and the resting current 50 mA. The integrated circuit must be mounted on a good heat radiator at least 100 x 100 mm in size and 1.5 cm thick. The voltage of 13.2 V shows that this circuit is suitable for automotive use and can work in alarm systems to amplify the sound of sirens or as a reinforcer for the car sound.




