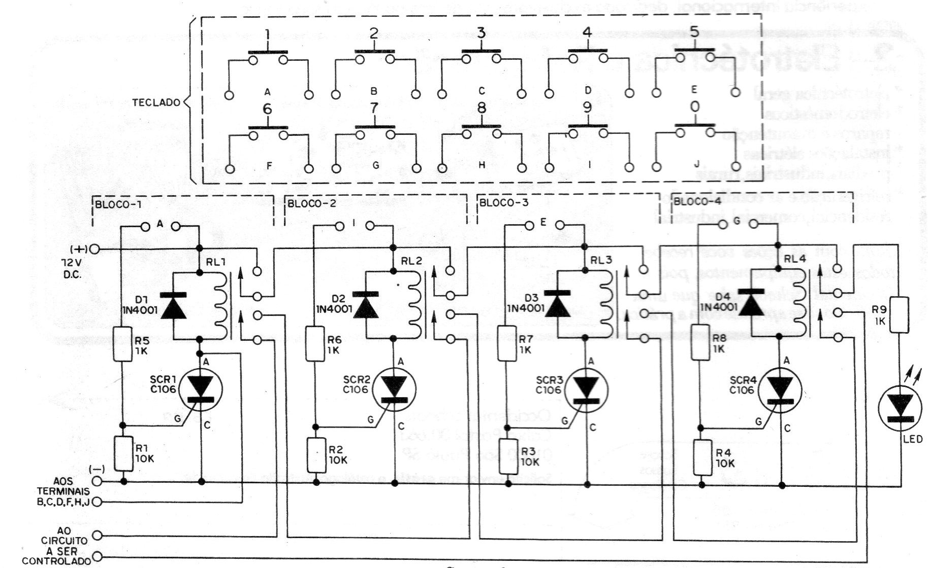
Only those who know the secret activation code will be able to turn on the device connected to this device. This device can be a radio, a TV, a transmission equipment or an electric door or safe lock. The author of this project states that the probability of finding the secret of this trigger is very small. In this case, the number of digits cannot be predicted by those who try to find the secret, since a keyboard with 10 push buttons is used. The author also states that he based himself on this project in the articles "SCRs - Theory and Practice" and "SCRs - Applications".




