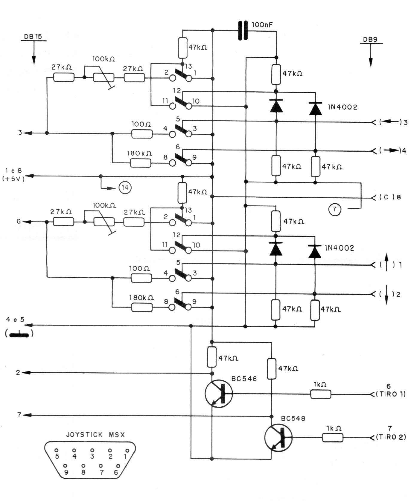
This article is old, from 1994. But, for those who have an old PC and want to use a joystick from the late MSX in an electronic game or other application, for example in robotics and control, here is how to do it. The circuit uses common components and the connections on the DB-9 are shown in the same figure.




