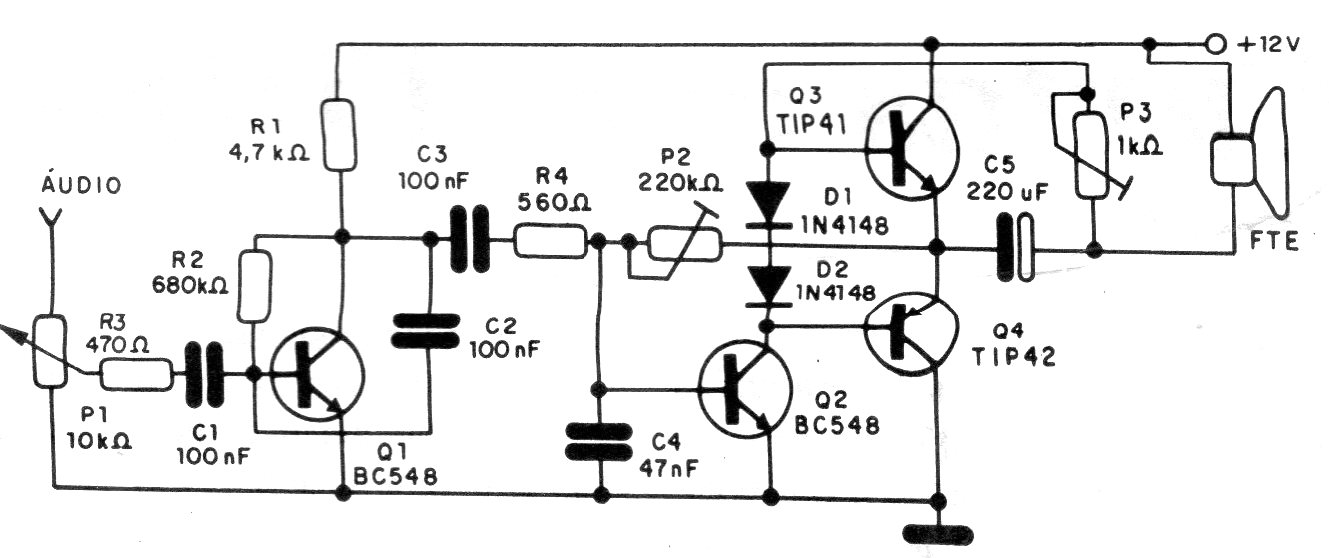
This circuit provides a few watts of output and can be used in the car as an auxiliary amplifier. Transistors must be mounted on heatsinks and the speaker can be 4 ohms or 8 ohms.
This circuit was obtained from a 90s Radio Electronics. The value of R1 determines the scale...
This small signal injector generator was found in the February 1971 issue of Radio Electronics magazine....
This is one of the many versions of cricket that the reader can find on this site. This circuit is...