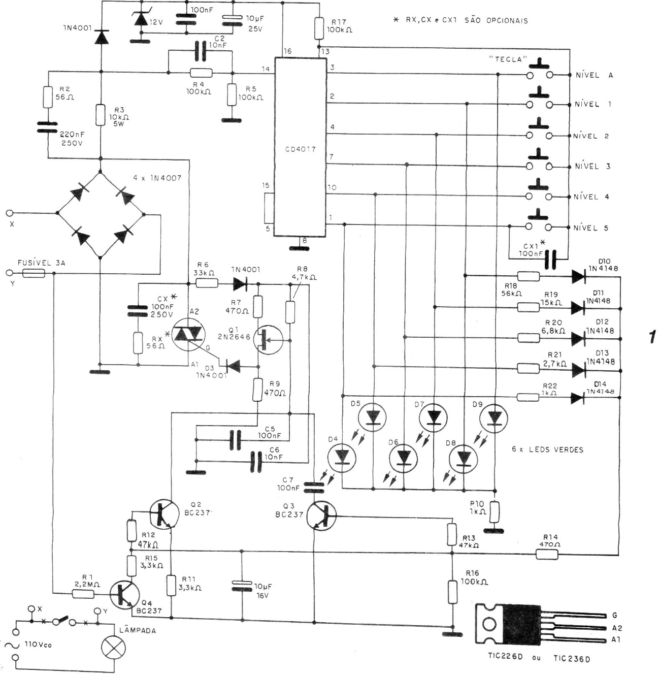
We found this dimmer in a 1994 publication. We can control the speed of an engine through the selection made by pressure switches in a pulsating system. The bridge diodes must be in accordance with the load current and in this circuit, in fact, by the presence of the bridge an SCR could be used, which the author of the project at the time did not consider. The triac (or SCR) must have a heatsink.




