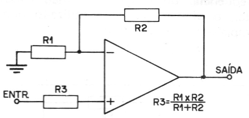
The traditional configuration of a non-inverting amplifier with the operational 741 shown in the figure is from 1976, but it appears several times on this website. The source must be symmetrical, and the gain determined by the relationship between R1 and R2. R3 must be equal to R1 and these components determine the input impedance.




