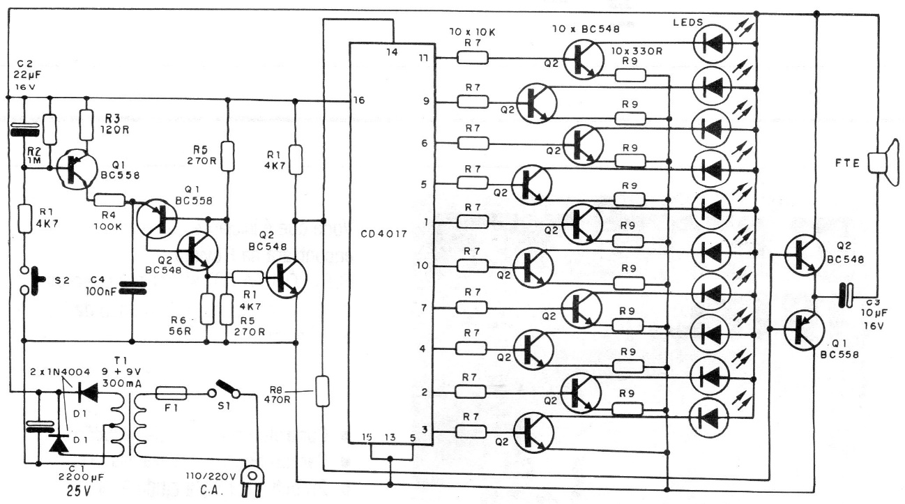
We found this circuit in a 1990 documentation. It draws one out of 10 numbers and during the draw process it emits the sound of a mechanical roulette wheel. The circuit includes the power supply, and the run time depends on C2 which can be changed. The draw is made by pressing and releasing S2.




