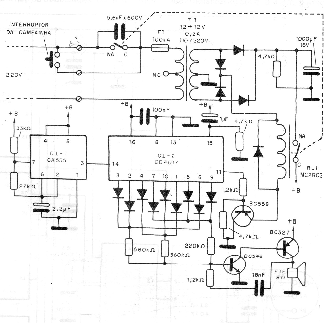
We found this circuit in a 1992 documentation. When the button is pressed, the circuit produces a sequence of musical notes determined by the sequencer with the integrated 4017. The main tone depends on the capacitor next to the oscillator and the notes are given by the resistors next to the matrix of diodes.




