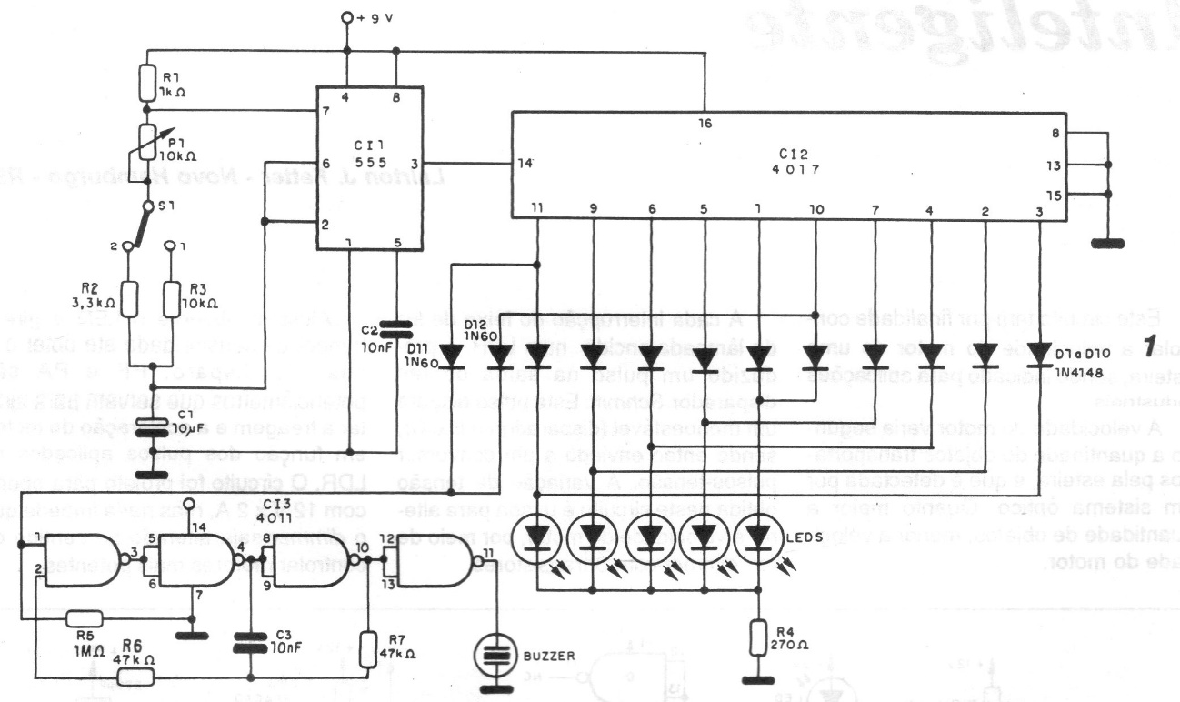
We found this circuit in a994 documentation. It has a visual and a time signature indicator in circuits that trigger loudspeakers and LEDs. The circuit can be powered by voltages from 6 to 9 V and the adjustment of the compass is done through a potentiometer.




