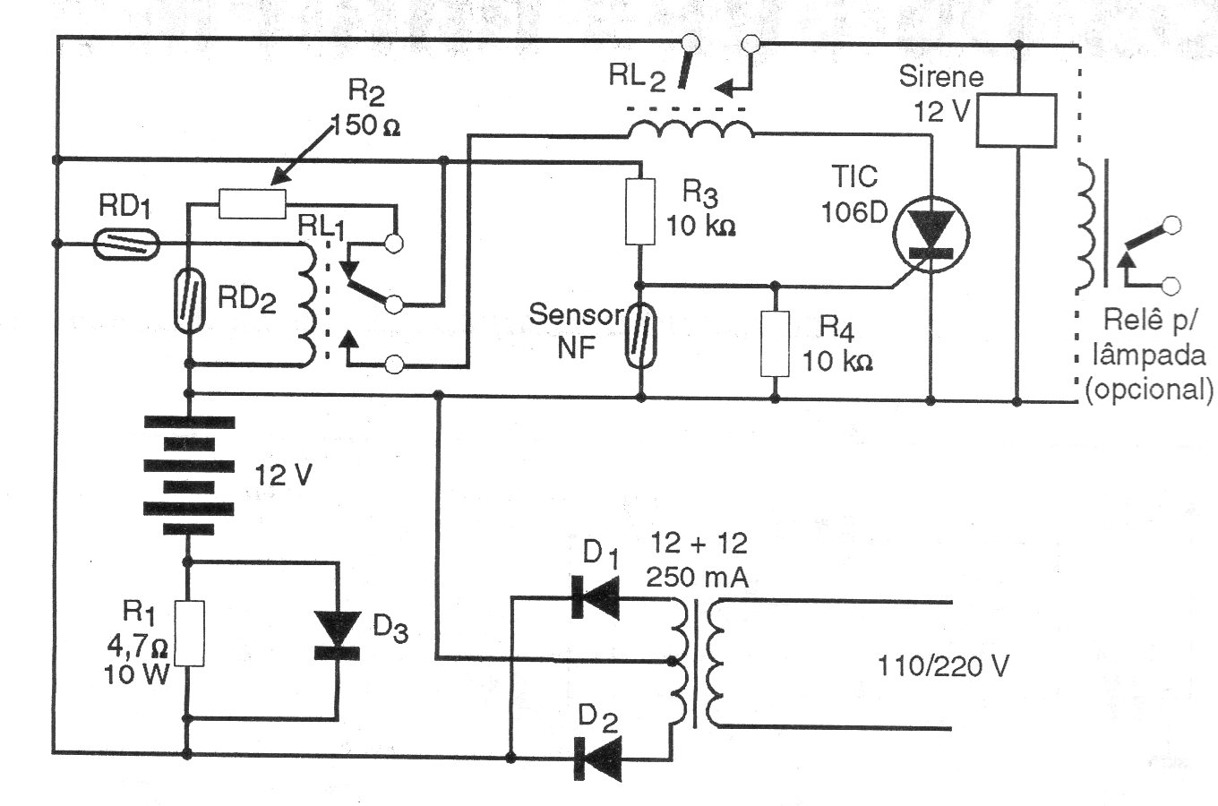
This alarm does not interrupt its operation when the power is cut. A battery is kept at a constant charge, going into action when the power is cut. The circuit can have many NC sensors connected in series and the relay is horny according to the transformer and battery used. The circuit was found in a 1997 documentation.




