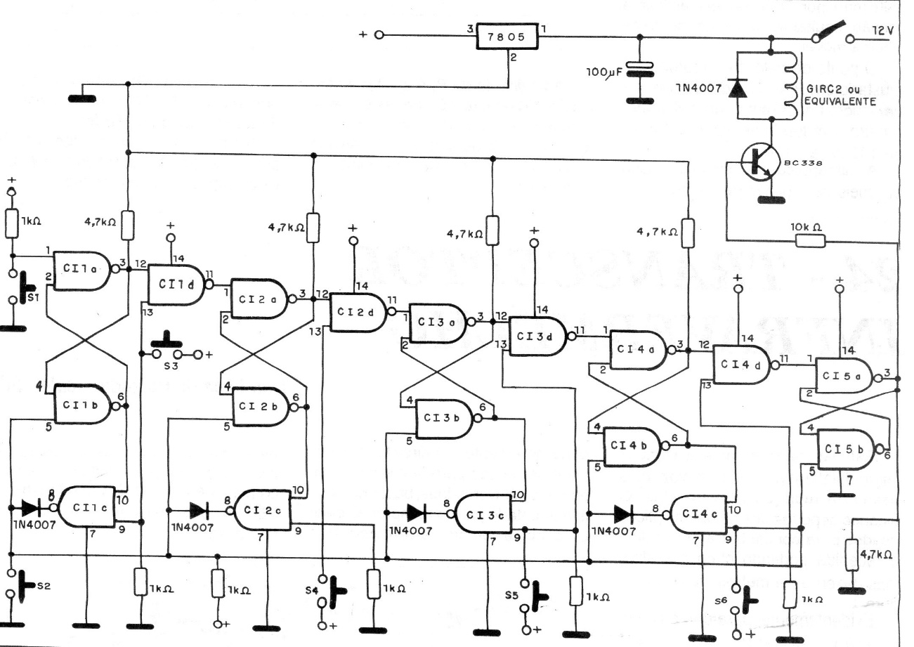
This code switch only activates a relay when the right sequence of buttons is pressed. The circuit uses integrated CMOS and is powered by 12 V if this is the voltage of the relay used. If wrong buttons are pressed, the circuit resets. Consumption is very low in the condition that the relay is de-energized.




